宇通產品
Products List聯系我們
Contact Us
地址:江蘇宇通干燥工程有限公司
總經理 :陸文光 13906123780
銷售副總:查永強 13775013377
電話:0519-88908088
外貿部:0519-88901088 67892070
傳真:0519-88902649
網址:www.wuxijipiao.com
郵箱:yutong@china-yutong.com
總經理 :陸文光 13906123780
銷售副總:查永強 13775013377
電話:0519-88908088
外貿部:0519-88901088 67892070
傳真:0519-88902649
網址:www.wuxijipiao.com
郵箱:yutong@china-yutong.com
LDT系列料斗提升加料機
簡介:該機主要應用于方形不銹鋼周轉料斗的提升和加料。可與壓片機、混合機、制粒機等設備配套使用。廣泛應用于制藥、化工、食品等行業中。
詳細說明
應用
??該機主要應用于方形不銹鋼周轉料斗的提升和加料。可與壓片機、混合機、制粒機等設備配套使用。廣泛應用于制藥、化工、食品等行業中。
原理
??該機只要由立柱、轉動底盤、提升叉架、液壓系統和控制系統組成。工作時將裝滿物料的料斗推入提升叉架上,操作提升操作桿,將料斗提升到加料高度后轉動立柱與加料設備對接,打開出料蝶閥,使物料轉移到下一工序設備。
特點
??該機是我公司較廣吸收、消化國外技術,結合我國國情研發的新機型。其結構合理,運行穩定,安全性能高,設有多重安全防護,設有旋轉剎車,下料位設有安全鎖。
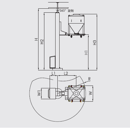
安裝示意圖

技術參數
型號 | 結構尺寸 | 凈負載 Kg | 提升功率KW | ||||||||
H | H1 | H2 | H3 | W | W1 | R | L1 | L2 | |||
LDT200 | >3500 | 2500 | 3500 | 3350 | 600 | 700 | 1600 | 550 | 800 | 160 | 1.5 |
LDT400 | >3800 | 2500 | 3800 | 3630 | 800 | 700 | 1800 | 550 | 1000 | 320 | 1.5 |
LDT600 | >3800 | 2500 | 3800 | 3690 | 1000 | 700 | 2000 | 550 | 1100 | 480 | 2.2 |
LDT800 | >4000 | 2500 | 4000 | 3890 | 1000 | 750 | 2000 | 600 | 1100 | 640 | 2.2 |
LDT1000 | >4200 | 2500 | 4000 | 3990 | 1200 | 750 | 2100 | 600 | 1300 | 800 | 3 |
LDT1200 | >4200 | 2500 | 4200 | 4130 | 1200 | 750 | 2100 | 600 | 1300 | 960 | 3 |
LDT1500 | >4600 | 2500 | 4400 | 4340 | 1200 | 750 | 2100 | 650 | 1300 | 1200 | 3 |
LDT2000 | >4800 | 2500 | 4600 | 4620 | 1200 | 750 | 2100 | 650 | 1300 | 1600 | 3 |
LDT2500 | >4500 | 2000 | 4200 | 4400 | 1400 | 750 | 2200 | 700 | 1350 | 2000 | 3 |
LDT3000 | >4800 | 2000 | 4200 | 4650 | 1400 | 750 | 2200 | 700 | 1350 | 2400 | 3 |
上一個產品:ZSL-Ⅲ系列真空上料機
下一個產品:BLM-FⅡ方型脈沖布袋除塵器




